寻深惠莞地区车铣复合的加工厂,每批每款500件
2023-04-17 本站作者 【 字体:大 中 小 】
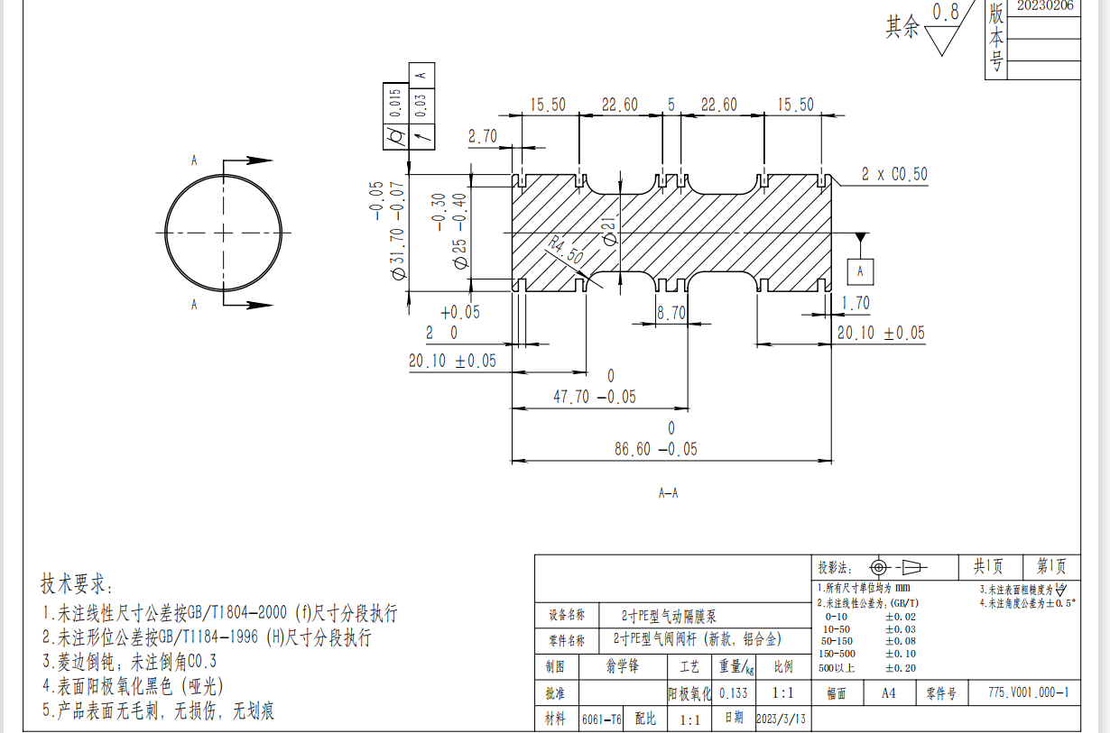
寻深惠莞地区车铣复合的加工厂,每批每款500件,每月都有的,有四款产品,三款材质是铝合金6061的,一款是304不锈钢,包工包料,按图纸加工,加工好成品我司,铝合金的素材工件需要做硬质/阳极氧化本色处理的,按图加工,我司在东莞横沥,深会莞有能做的联系,要求能接受月结30天的,需要评估报价

猜你喜欢
求3kw的CK0640自动仪表车床加工厂,量比较大
2021-08-12
1047
1047
寻求做不锈钢的拉钉的加工厂,这一批十万件
2021-08-12
839
839
寻求东莞附近冲压+cd纹表面处理的加工厂,一次下单五万件
2021-08-04
776
776
寻求东莞附近走心机加工厂,一款工件200万件起步,一共有六款工件
2021-08-30
976
976
寻求东莞清溪附近做塑胶模具+注塑生产一起的加工厂
2021-10-19
831
831
寻求深惠莞五金冲压加工厂,月需求量各一万件
2021-11-15
867
867
寻长安,松岗周边五金冲压加工厂,量还蛮大的
2021-11-23
1070
1070
寻求松岗,长安附近数控翻车件加工厂,量每天三千件以上
2021-10-20
1074
1074
急需寻求东莞周边车床加工厂,先打样。打样ok每批量是十万件
2021-11-09
820
820
寻求大岭山,长安附近打磨加工厂,目前我司找配合加工的
2021-10-26
1017
1017 