数控车床外发加工,目前有一万件,长期订单量
2023-11-22 本站作者 【 字体:大 中 小 】
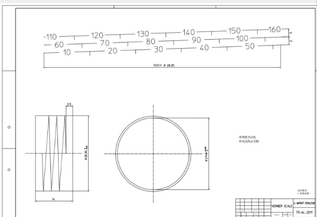
数控车床外发加工,目前有一万件,长期订单量,材质是6061铝的,如图,厂家按图纸技术要求加工,我司在河北涿州,对加工厂无地区要求,价格合适能接受就OK

猜你喜欢
寻求长安,虎门附近cnc的加工厂,一个月5000件
2021-07-06
839
839
寻求做产品图的加工厂,量每月每款一万件,有两款,材质是sus304
2021-08-03
1014
1014
寻求横沥周边激光焊接长期合作加工厂,有三四款,大概一千多件
2021-10-25
942
942
寻求专业攻牙的加工厂,先打样OK,一个月1-2万件
2021-11-24
938
938
寻求东莞津上走心机,205,206机台的加工厂,300套
2021-10-14
793
793
寻找东莞横沥附近做车戒子工艺的供应商,现在有20多个需要做的
2021-07-30
878
878
寻求东莞清溪附近做塑胶模具+注塑生产一起的加工厂
2021-10-19
831
831
寻求上门加工水贴的加工厂,具体量还没有确定,材质是pu的
2021-07-07
716
716
寻求深惠莞附近CNc或者模具的加工厂,量这一批5300套
2021-08-18
679
679
寻找深圳坪地附近地区开冲压模厂家,只需要开模
2021-11-25
907
907 