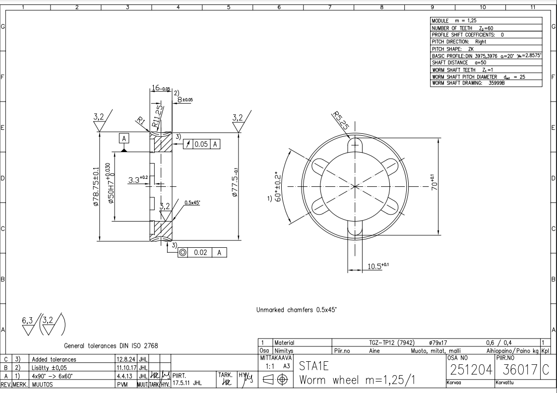
寻能做如图铜涡轮的加工厂,量有一万件,铝青铜材质,按图纸包工包料
2024-10-14 本站作者 【 字体:大 中 小 】
寻能做如图铜涡轮的加工厂,量有一万件,铝青铜材质,按图纸包工包料,
我司在浙江宁波,无地区要求,能做的联系


猜你喜欢
寻找惠州新圩或周边近点地区内壁喷漆加工厂,量有几万个
2021-11-23
1046
1046
寻找做弯管的加工厂,量先做50套样品,一套两件,后续每批量一千多套
2021-05-12
911
911
寻求东莞寮步附近冷压加工厂,一个月3000-4000件
2021-08-25
734
734
寻求苏州自动车床加工厂,要求有5-6机,可以包2个月
2021-07-09
973
973
寻求苏州周边挂镀蓝白锌的电镀加工厂,先打样一件
2021-11-15
870
870
寻找东莞长安、虎门地区冲压加工厂,量有几万个
2021-07-02
848
848
寻求五金冲压加工厂,有两款冲压件,每款年需求量各300万件
2021-11-19
658
658
寻找东莞常平或附近地区镭雕加工厂,量还可以的
2021-07-05
845
845
寻找深圳福永或附近地区能做大尺寸CD纹加工的厂商,长期合作的
2021-07-06
607
607
寻求江苏苏州地区小件线割加工厂,量有如图36套
2021-05-11
919
919 