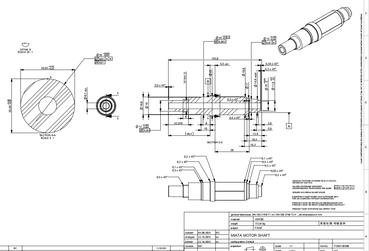
寻求做如图三款产品件的加工厂,年需求量1万左右报价/款,一款是45号钢
2025-12-01 本站作者 【 字体:大 中 小 】
寻求做如图三款产品件的加工厂,年需求量1万左右报价/款,一款是45号钢,一款是5052铝件,一款是304不锈钢材
质,如图,根据图加工,包工包料,我司在清溪,深惠莞做联系,微信同步

猜你喜欢
寻求佛山南海附近cnc电脑锣三轴+阳极氧化加工厂,需求量各一千套
2021-05-14
650
650
寻求凤岗附近精雕三轴加工厂,量目前五千件
2021-07-12
1027
1027
寻求东莞附近水镀仿金色的加工厂,目前量有五万件
2021-06-29
871
871
寻求东莞黄江附近有可以做产品图的包装材料的工厂,量有点多
2021-07-22
933
933
寻求东莞一带手动拉丝的加工厂或者上门承包加工的合作商
2021-07-03
725
725
寻求广东地区的铁皮切边卷边的加工厂,目前大概有100个凳子面需要做,后续每月300个
2021-08-28
917
917
寻求上海,浙江一带钣金加工厂,量不用担心
2021-09-24
913
913
寻求宝安附近及黄江,长安附近机加工cnc加工厂,量挺大的
2021-07-30
728
728
寻求不锈钢表面硅化加工厂,量一个月几万件
2021-11-10
1053
1053
寻找塘厦附近的镭雕加工厂,先打样,OK的话量应该还可以
2021-05-07
612
612 