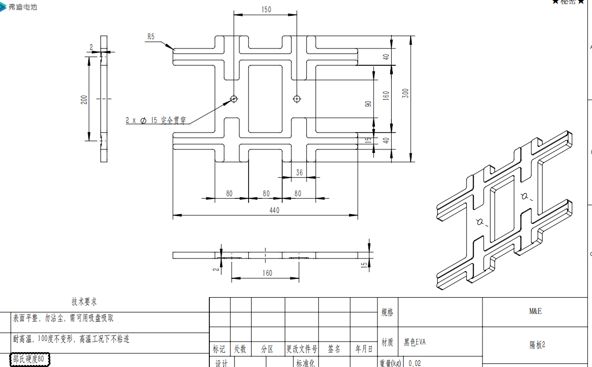
寻做EVA材料的隔板的加工厂,年产量2000万件,产品图纸如上图
2022-09-29 本站作者 【 字体:大 中 小 】
寻做EVA材料的隔板的加工厂,年产量2000万件,产品图纸如上图,主要难点:1,产品厚度要求必须按照图纸,2,产品硬度要求需要达到图纸,3,产品需要用100度温度热压变形不能太大且不能有气味,4,高温后表面不能漏胶因为此产品表面是电池极片。1.开模每模数量,时间,成本;2.单件产品单价,每模生产周期;3.开模完成时间,送样时间。公司在东莞虎门,有再周边地区能做的联系沟通。


猜你喜欢
寻求广东地区的铁皮切边卷边的加工厂,目前大概有100个凳子面需要做,后续每月300个
2021-08-28
897
897
寻找东莞塘厦或周边地区自动车床加工厂,量是很大的
2021-10-27
993
993
寻求可以做风管的加工厂,量还可以,是新开车间的
2021-09-17
721
721
寻求东莞周边挤压加工厂,需求量30吨,材质是7075铝的
2021-11-23
871
871
寻求虎门走心机加工,两款产品,一款每月一万件
2021-07-26
711
711
寻找东莞虎门长安附近地区塑胶打磨加工厂,现在有2000套
2021-08-26
821
821
寻找东莞、惠州地区CNC加工厂,量每次10000件,材质是黄铜
2021-08-02
1007
1007
寻求长期合作数控车床加工厂,量一个月七万~八万件
2021-11-24
942
942
寻求东城附近精密激光切割加工厂,前期几万件
2021-09-01
945
945
寻求cnc电脑锣五轴的加工厂,先做一件
2021-08-13
787
787 