登录
注册
退出
搜索
购物车
首页
机械五金
电化学
涂装加工
印刷加工
铸造成型
化学表处
物理表处
智工人才
智工专家
化工材料
采购订单
公司新闻
关于爱制造
推荐
五金
电化
涂装
印刷
铸造
化学表处
物理表处
智工人才
智工专家
化工
机器设备
新闻资讯
关于我们
寻求东莞大朗周边做冲压,激光切割的加工厂,批次3000-4000货款,材质是酸洗
机械五金
2025-10-27
662
找能做磁铁圈的五金加工厂,月需求13万件,包工包料,规格:磁铁圈φ53.8+2.2 厚1.0磁
机械五金
2025-10-27
621
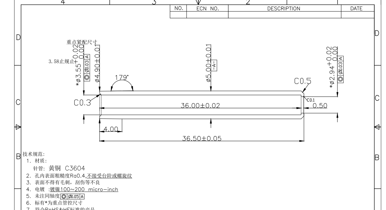
找做如图黄铜件的加工厂,每个月三万件~五万件,材质是黄铜C3604的。如图,
机械五金
2025-10-27
540
寻求有做组装加工厂,每个月有15万套的耳机需要组装,厂家只做组装就可以,要求
机械五金
2025-10-27
521
寻求塑胶注塑模具加工厂,先开一套模具,后续量是比较多,至少有几十套模具需要开的,如果厂
机械五金
2025-10-27
925
寻车铣复合加工厂,批量件,零件不难,有预付款,304不锈钢材质,包
机械五金
2025-10-27
558
寻求深莞钣金,折弯,喷粉合作加工厂,目前需求量30万套,产品是电脑支架件,材质铁/冷板的
机械五金
2025-10-27
547
寻求cnc合作加工厂,量是比较大,有十几款图纸,前期要先打样,打样我司给打样
机械五金
2025-10-27
589
寻有做锌合金手镯的加工厂,厂家有做开的,有开好模具,我司可以直接拿货,
机械五金
2025-10-27
875
寻能做不锈钢零件的加工厂,有量,不锈钢材质,如图,包工包料
机械五金
2025-10-27
723
首页
上一页
42
43
44
45
46
下一页
末页
热门标签
HOT
热门推荐
猜你喜欢
寻找深莞惠地区做塑胶产品的加工厂,前期需要开简单的模具
寻求精雕加工厂,目前试样140套,一套三个工件
寻求松岗,长安周边钻孔攻牙加工厂,一个月有十几万件
寻找珠三角地区无缝挤压加工厂,总共三款,600万的量
寻求长安,虎门附近四轴cnc加工厂,先打样几十件
寻找东莞开模冲压加工厂,数量5000个
寻求东莞附近五金拉伸模具的加工厂,量还可以,材质是铝6063
寻求五金冲压加工厂,目前有三款,每款每批最低一万套起步
寻求松岗,公明附近龙门铣加工厂,量这一批有两件
寻求长期合作有优势的铝合金型材厂商,量大