登录
注册
退出
搜索
购物车
首页
机械五金
电化学
涂装加工
印刷加工
铸造成型
化学表处
物理表处
智工人才
智工专家
化工材料
采购订单
公司新闻
关于爱制造
推荐
五金
电化
涂装
印刷
铸造
化学表处
物理表处
智工人才
智工专家
化工
机器设备
新闻资讯
关于我们
寻能做如图铝件的加工厂,量大,如图,铝材质,按图纸
机械五金
2025-12-08
901
寻有做塑胶水贴纸/木质品工艺的厂商,年用量40-50万套,木制品需要有
机械五金
2025-12-08
747
我司找热处理加工厂,月一百吨的螺母件,如图,要求厂家按标准热处理就可
机械五金
2025-12-08
779
寻有做如图手机按键排线的的加工厂,一个月几十万,有铜的,要那个型号厂家就帮我做什么
机械五金
2025-12-08
916
寻有做工业机器人,自动搬运车用的线路板,摄像头,遥控器等配套生产的厂家
机械五金
2025-12-08
821
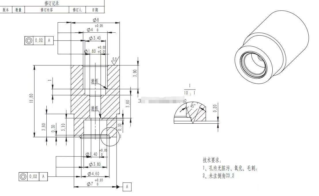
寻能做如图不锈钢产品的加工厂,数量2000,不锈钢材质,包工包料,我司
机械五金
2025-12-08
540
寻cnc四轴加工厂,每月3000~5000套左右,目标价格58元每套29元每件,付款方式预付30%,
机械五金
2025-12-08
532
寻能做转子和轴的加工厂,有三款,一千多套,材质分别为铜和钢,轴和轴承罩请分别报
机械五金
2025-12-08
872
寻陶瓷精密加工的加工厂,大批量,材质是氧化锆和碳化硅,来料加工
机械五金
2025-12-08
593
找能做箱包上的五金件的加工厂,如图一下箱包配合,要求厂家有自己的加工厂的,专业做的
机械五金
2025-12-08
552
首页
上一页
5
6
7
8
9
下一页
末页
热门标签
HOT
热门推荐
猜你喜欢
寻求深惠莞精密车床加工厂,月需求量五万件,材质是Gcr15-GB
急需寻求长安,松岗有做按键CD纹的加工厂,量具体多少还不确定
寻找东莞长安、虎门地区冲压加工厂,量有几万个
寻求机加工或者激光切割的加工厂,现订单量有一万件
寻求深惠莞CNC+车铣加工厂,量目前有一千套
寻求深莞惠自动车床走心机加工厂商,具体量没有算,具体厂家量产能力
寻求数控走心机加工厂,量有10万件,316L材质,规格大小如图
寻找深莞惠地区CNC加工厂,前期先做2万件,后期可能会更多
寻求做产品图的加工厂,量目前还不确定,目前处于评估阶段
寻求东莞横沥附近龙门数控的加工厂