寻可做挂镀锡的合作加工厂,两款件,每款月5000pcs,材质是铜的
2024-06-12 本站作者 【 字体:大 中 小 】
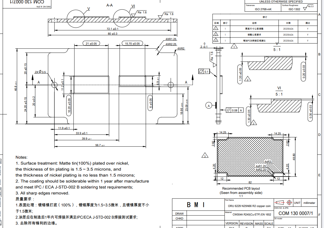
寻可做挂镀锡的合作加工厂,两款件,每款月5000pcs,材质是铜的,如图工件,要求镀锡镍打底(100%),镀锡厚度为1.5~3.5微米,且镀镍厚度不小于1.5微米,不能有起泡脱皮。烘烤测试是260-280,有符合以上的电镀技术要求才好,镀锡,一般亮锡,哑光锡,有焊接要求,松岗以及东莞地区有能做电镀厂联系,要验厂


猜你喜欢
急需镀硬铬的电镀加工厂,需求量500公斤的样子
2021-05-08
1332
1332
寻求uv电镀的加工厂,材质是锌合金,是一款压铸件的工件
2021-06-08
969
969
寻求深惠滚长期合作滚泳的加工厂,量每批几十公斤
2021-08-20
671
671
寻求挂镀硬铬电镀加工厂,量目前有几块,五六块那样
2021-09-10
1066
1066
寻找东莞地区电镀加工厂,量有20000件
2021-08-05
690
690
寻找真空镀铝加工厂,新开发的产品,现在有十几万米
2021-11-16
989
989
寻求长安附近真空镀加工厂,首单二千支,要先打样板确认
2021-11-24
817
817
寻求滚镀雾锡的电镀加工厂,打样OK后,量是长期的
2021-05-06
1271
1271
寻找珠三角地区做喷砂,电镀,真空镀的加工厂,前期先打样看下效果
2021-06-25
753
753
寻找东莞桥头、谢岗附近地区氧化加工厂,目前有200件
2021-08-19
1080
1080 